2002 Chevrolet Tahoe Car Audio Wiring Diagram MODIFIEDLIFE . Feel free to use any 2002 Chevrolet Tahoe radio wire diagram that is listed here but keep in mind that all information here is provided as is without any warranty of any kind. Use of this 2002 Chevrolet Tahoe stereo wiring guide is at your own risk. Always verify all radio wire, stereo wire colors and wiring information before applying it to.
2002 Chevrolet Tahoe Car Audio Wiring Diagram MODIFIEDLIFE from static-cdn.imageservice.cloud
Read electrical wiring diagrams from unfavorable to positive and redraw the signal being a straight collection. All circuits are usually the same :.
Source: lh6.googleusercontent.com
CK Pickup '88-94. Silverado '99-02. Suburban '92-02. Tahoe '95-02. Van (Full size) '88-95. Ventura Van '97-99. IMPORTANT There are two (2) yellow*, two (2) gray and two (2) brown wires in.
Source: www.easywiring.info
55 2011 Silverado Aftermarket Radio Wiring Harness Wiring Diagram Plan rebablakuf.blogspot.com. Wiring For 2002 Chevy Silverado Wiring Diagram Schemas.
Source: i.pinimg.com
Alternator Wiring Diagram 02 Ford Escape WIRGRAM wirgram.blogspot.com. holden quado. 28 2004 Chevy Tahoe Radio Wiring Diagram Wiring Diagram Niche dominicluta.blogspot.com..
Source: static-cdn.imageservice.cloud
RADIO Dual DVD Headrest Wiring Diagram Radio Wiring Diagram, with Y91 & with UQA (1 of 3) Radio Wiring Diagram, with Y91 & with UQA (2 of 3) Radio Wiring Diagram, with.
Source: lh6.googleusercontent.com
impala wiring diagram chevy radio 2003 2001 chevrolet cruze headlight impalaforums 2004 start 2008 aftermarket installation won pump fuel fuse. 54 2002 Chevy Trailblazer Radio Wiring.
Source: www.diymobileaudio.com
02 tahoe stereo wiring diagram. 2002 chevy tahoe radio wiring harness diagram chevy tahoe chevy tahoe. On the 4.8l, 5.3l, and 6.0l, the tach wire is located at pin 10 in the 'red'.
Source: lh3.googleusercontent.com
2002 Chevy Tahoe Stereo Wiring Diagram – Before installing a new car audio, you should first be familiar with your car’s wiring diagram. The location of the wires to yourradio.
Source: i0.wp.com
Chevrolet 2008 HHR amplifer connector C1 wiring . Chevrolet Tahoe LS 2000 stereo wiring connector Chevrolet Tahoe LS 2000 stereo wiring connector. Car stereo wiring diagram radio installation head unit. Car radio wire colors car.
Source: www.2carpros.com
02 Tahoe Radio Wiring Diagram. Friday, September 16, 2022. 02 Tahoe Radio Wiring Diagram www.pinterest.com.mx, 728 x 783, jpeg, rj11 wiring rj45 diagram cable.
Source: lh3.googleusercontent.com
Feel free to use any 2012 Chevrolet Tahoe radio wire diagram that is listed here but keep in mind that all information here is provided as is without any warranty of any kind. Use of this 2012.
Source: i0.wp.com
Car radio wiring diagram for your 2015 chevrolet chevy tahoe suv with the standard stereo, bose / premium audio system. See more ideas about radio, diagram, car stereo. 2003.
Source: static-cdn.imageservice.cloud
30 Elegant 2004 Chevy Tahoe Radio Wiring Diagram- Car radio installation garnishing comprise of harness adapters leads, fascia adapters, stalk/steering wheel direct adapters (also known as.
Source: www.2carpros.com
Chevrolet Tahoe 2000-2006 Download. Covers U.S. and Canadian models of. Chevrolet Silverado, GMC Sierra and. Sierra Denali Pick-ups (1999 thru 2006 and 2007 11Ciassic11. models),.
Source: lh5.googleusercontent.com
02 tahoe radio wiring diagram. Ford five hundred speaker wiring diagram. 35 2000 chevy tahoe radio wiring harness. Wiring diagram chevy silverado radio stereo 2006 2007 impala 2008.
Source: schematron.org
2002 chevy tahoe radio wiring diagram – What is a Wiring Diagram? A wiring diagram is an easy visual representation in the physical connections.
Source: ricksfreeautorepairadvice.com
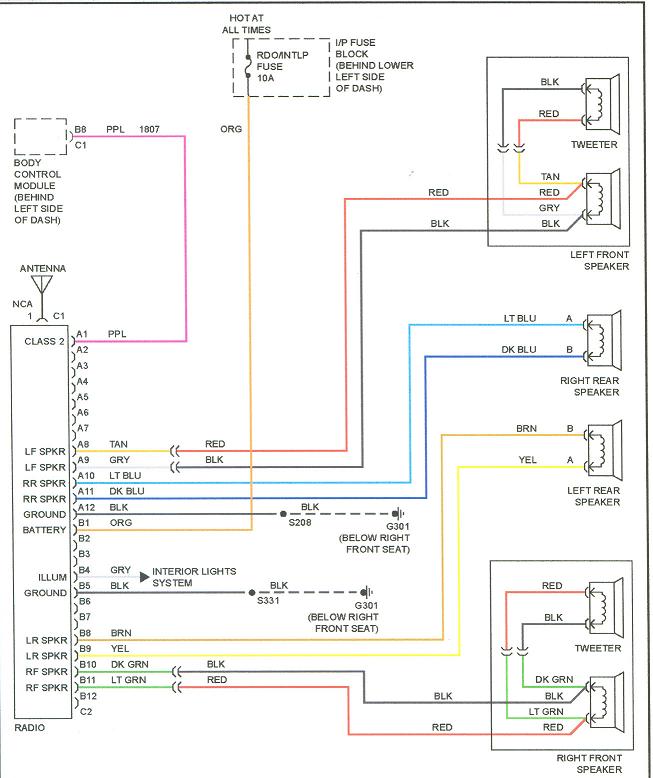
Left Rear Speaker Negative Wire (-): Yellow. Right Rear Speaker Positive Wire (+): Dark Blue. Right Rear Speaker Negative Wire (-): Light Blue. When upgrading your Tahoe speakers, make sure to buy the right size. With 6.
Source: lh5.googleusercontent.com
diagram wiring chevy radio tahoe avalanche 2002 silverado 1999 1500 2000 justanswer 4x4 system transmission chevrolet ww2 database gm motor. 26 2001 Chevy Tahoe Radio Wiring.
Source: www.savagehomeautomation.com
2002 chevy tahoe car stereo wiring schematics (color codes). The color code that was given to me, doesn't even have Chevrolet 2002 Tahoe question. 2002 Audio System.
0 komentar